S
H
I
N
N
O
Đang tải
Giới thiệu
Lĩnh vực
Dự án
Đào tạo
Tin tức
Báo giá
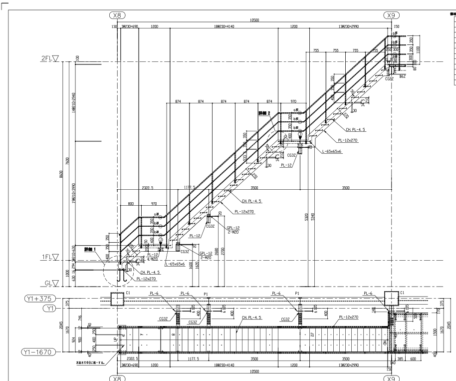
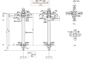
Dự án MFN C1,C2 Khối lượng: 2300 Tấn
Dự án khác
Dự án MFN D: Khối lượng 1150 Tấn
Mô tả chi tiết
Dự án FDK: Khối lượng: 700 Tấn
Mô tả chi tiết
Dự án ENEOS Khối lượng:4388 Tấn
Dự án ENEOS: Khối lượng 4388 Tấn
Dự án NHB: Khối lượng: 500 Tấn
Dự án HCG Văn Giang Hưng Yên
Dự án nhà xưởng Bắc Ninh
Bạn chưa đăng nhập
Thông tin liên hệ
Trụ sở chính: Số 68/144 Cổ Linh - P. Long Biên - TP. Hà Nội Cơ sở 1: Phạm Văn Đồng - P. Phạm Ngũ Lão - TP. Hải Phòng Cơ sở 2: Vạn Phúc - Hà Đông - TP. Hà Nội
info.shinno@gmail.com
0385 623 331
Thông tin nhận báo giá